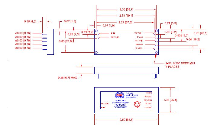
Quantic PMI Model DLVA-60M-70-25MV is a Detector Log Video Amplifier (DLVA) that operates over the frequency range 0.05 to 0.07 GHz with a dynamic range of 80 dB (-80 to 0 dBm). Package size is 2.50" x 1.00" x 0.26".
| General Parameters: | |
|---|---|
| Status: | Preliminary |
| CW Immune (Yes/No): | No |
| Frequency Min (GHz): | 0.06 |
| Frequency Max (GHz): | 0.06 |
| Log Slope (mV/dB): | 25 |
| Log Range (dBm): | -70 to 0 |
| Rise Time: | 50 ns |
| Video Load (Ohms): | 93 |
| Dynamic Range: | 80 dB (-80 to 0 dBm) |
| Video Output: | 2 V into 93 Ohm (At 0 dBm) |
| DC Power: | +12 V @ 60 mA Typ -12 V @ 160 mA Typ |
| DC Offset @ 25°C: | 30 ± 20 mV |
| Size: | 2.50" x 1.00" x 0.26" |
| Export Classification (ECCN): | EAR99 |
| Environmental Ratings: | |
| Operating Temperature: | -30 °C to +71 °C |
| Non-Operating Temperature: | -55 °C to +125 °C |
| Temperature Cycle: | MIL-STD-202, Method 107D Cond. A |
| Humidity: | MIL-STD-202, Method 103B Cond. B |
| Shock: | MIL-STD-202, Method 213B Cond. B |
| Vibration: | MIL-STD-202, Method 204D Cond. B |
| Altitude: | MIL-STD-202, Method 105C Cond. B |