DTA-50M2D5G-CD-SFF-1-OPT12R5 Preliminary

8 Bit Pin Diode Attenuator

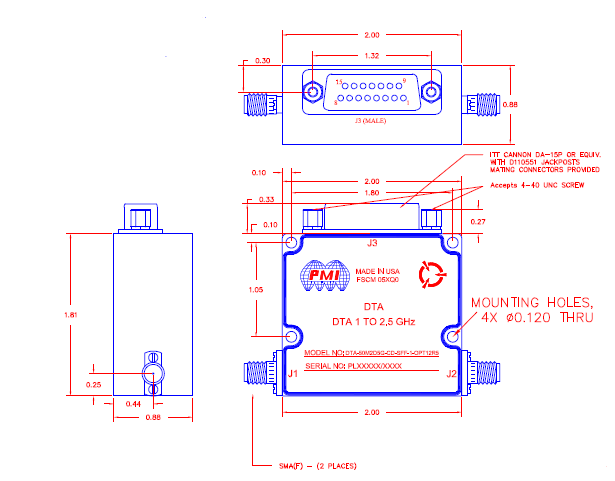
Quantic PMI Model DTA-50M2D5G-CD-SFF-1-OPT12R5 is a non-reflective, 8 BIT programmable 60 dB pin diode attenuator with a step resolution as low as 0.25 dB over the frequency range of 1 to 2.5 GHz. Housing measures 2.0" x 1.8" x 0.5" with 15 Pin Micro-D female control connector (Mating Connector Supplied) and SMA female connectors.

Product Specifications

General Parameters:
Status: Preliminary
Frequency Range (GHz): 1 to 2.5
Frequency Min (GHz): 1
Frequency Max (GHz): 2.5
Attenuation Range (dB): 60 dB
Attenuation Step Size - LSB (dB): 0.25 dB
Attenuation Flatness (dB): ±0.6 dB Max @ 20 dB,
±0.75 dB Max @ 40 dB,
±2.5 dB Max @ 60 dB
Attenuation Accuracy (dB): ±0.5 dB Max @ 0 to 20 dB,
±0.75 dB Max @ 20 to 40 dB,
±1.5 dB Max @ 40 to 60 dB
Insertion Loss (dB): 4.5 dB Max
VSWR: 2.0:1 Max
Survival Power: 1 W average from -65 to +25 °C
Swiching Time (On Time): 0.75 µs Max
Swiching Time (Off Time): 0.45 µs Max
Power Supply: +15 VDC @ 50 mA Max
-15 VDC @ 50 mA Max
Logic Input: Logic "0" (BIT OFF) = -0.3 to +0.8 V
Logic "1" (BIT ON) = +2 to +5 V
Digital Control: 8 Bit
Connectors: RF: SMA Female
Control & Power: 15 PIN Micro-D-female,
(Mating Connector Supplied including pigtails >24" length)
Size: 2.0" x 1.8" x 0.5"
Finish: Painted Blue
Weight: ~3 oz (85 g)
Export Classification (ECCN): EAR99
Environmental Ratings:
Operating Temperature: -50 ºC to 100 ºC
Non-Operating Temperature: -65 ºC to +125 ºC
Humidity: MIL-STD-202F, Method 103B Cond. B
Shock: MIL-STD-202F, Method 213B Cond. B
Vibration: MIL-STD-202F, Method 204D Cond. B
Altitude: MIL-STD-202F, Method 105C Cond. B
Temperature Cycle: MIL-STD-202F, Method 107
categoriesall