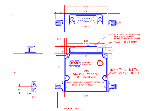
Quantic PMI Model DTA-50M2D5G-CD-SFF-1 is a non-reflective, 10 BIT programmable 60 dB PIN diode attenuator with a step resolution as low as 0.06 dB optimized over the frequency range of 0.2 to 1 GHz. Housing measures 2.0" x 1.81" x 0.88" with 15 Pin Micro-D female control connector (Mating Connector Supplied) and SMA female connectors.
| General Parameters: | |
|---|---|
| Status: | Preliminary |
| Frequency Range (GHz): | 0.2 to 1 |
| Frequency Min (GHz): | 0.2 |
| Frequency Max (GHz): | 1 |
| Attenuation Range (dB): | 60 dB |
| Attenuation Step Size - LSB (dB): | 0.06 dB |
| Attenuation Flatness (dB): | ±0.6 dB Max @ 20 dB, ±0.75 dB Max @ 40 dB, ±2.5 dB Max @ 60 dB |
| Attenuation Accuracy (dB): | ±0.5 dB Max @ 0 to 20 dB, ±0.75 dB Max @ 20 to 40 dB, ±1.5 dB Max @ dB to 60 dB |
| Insertion Loss (dB): | 3.5 dB Max |
| VSWR: | 2.0:1 Max |
| Survival Power: | 1 W average from -65 to +25 °C |
| Swiching Time (On Time): | 0.75 µs Typ |
| Swiching Time (Off Time): | 0.45 µs Typ |
| Power Supply: | +15 VDC @ 50 mA Max -15 VDC @ 50 mA Max |
| Logic Input: | Logic "0" (BIT OFF) = -0.3 to +0.8 V Logic "1" (BIT ON) = +2 to +5 V |
| Digital Control: | 10 Bit |
| Connectors: | RF: SMA Female Control & Power: 15 PIN Micro-D-female, (Mating Connector Supplied - including pigtails >24" length) |
| Size: | 2.0" x 1.81" x 0.88" |
| Finish: | Painted Blue |
| Weight: | ~3 oz (85 gm) |
| Export Classification (ECCN): | EAR99 |
| Environmental Ratings: | |
| Operating Temperature: | -50 ºC to 100 ºC |
| Non-Operating Temperature: | -65 ºC to +125 ºC |
| Humidity: | MIL-STD-202F, Method 103B Cond. B |
| Shock: | MIL-STD-202F, Method 213B Cond. B |
| Vibration: | MIL-STD-202F, Method 204D Cond. B |
| Altitude: | MIL-STD-202F, Method 105C Cond. B |
| Temperature Cycle: | MIL-STD-202F, Method 107 |