HP-26D5G-40G-CD-292FM Preliminary

High Pass Filter

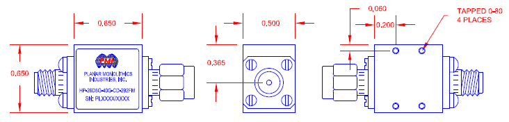
Quantic PMI Model HP-26D5G-40G-CD-292FM is a High Pass Filter that operates over the 26.5 to 40 GHz with a maximum passband insertion loss of 2 dB and a maximum VSWR of 2.0:1. Housing is precision machined and silver plated to provide the highest possible Q.  Package size is 0.65" x 0.65" x 0.50" with 2.92mm female/male connectors. 

Product Specifications

General Parameters:
Status: Preliminary
Passband Frequency (GHz): 26.5 to 40
Cut-Off Frequency (GHz): 26.5
Passband Insertion Loss (dB): 2 dB Max
Passband VSWR: 2.0:1 max
Rejection: 54 dBc
Connectors: 2.92mm Female / Male
Size: 0.65" x 0.65" x 0.50"
Weight: 1 oz
Export Classification (ECCN): EAR99
Environmental Ratings:
Temperature (Operating): -55 ºC to +85 ºC
Temperature (Storage): -65 ºC to +125 ºC
Humidity: MIL-STD-202F, Method 103B Cond. B
Shock: MIL-STD-202F, Method 213B Cond. B
Vibration: MIL-STD-202F, Method 204D Cond. B
Altitude: MIL-STD-202F, Method 105C Cond. B
Salt Fog: MIL-STD-202F, Method 107D Cond. A
Fungus: MIL-STD-810F, Method 508.2
Temperature Cycle: MIL-STD-202F, Method 107D
categoriesall