ISO-13751425-23-DI
Preliminary
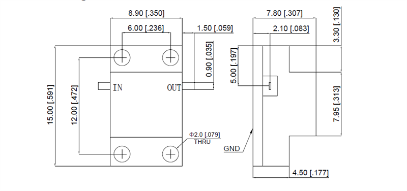
Drop-In Isolator
Quantic PMI Model ISO-13751425-23-DI is a drop-in isolator that operates over the frequency range of 13.75 to 14.25 GHz with a maximum insertion loss of 0.3 dB and a minimum isolation of 23 dB. Package size is ~0.591" x 0.35" x 0.307".
Product Specifications
| General Parameters: |
| Status: | Preliminary |
| Frequency Range (GHz): | 13.75 to 14.25 |
| Frequency Min (GHz): | 13.75 |
| Frequency Max (GHz): | 14.25 |
| Insertion Loss (dB): | 0.3 dB Max |
| Isolation (GHz): | 23 dB Min |
| VSWR: | 1.2:1 Max |
| Forward Power: | 30 W |
| Reverse Power: | 5 W |
| Size: | 0.591" x 0.35" x 0.307" |
| Export Classification (ECCN): | EAR99 |
| Environmental Ratings: |
| Temperature: | -55 °C to +85 °C |