LP-DC18G-44G-SFF
Active
DC to 18 GHz Lowpass Filter
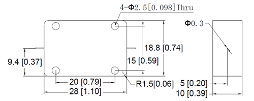
Quantic PMI Model LP-DC18G-44G-SFF is a Suspended-substrate stripline Filter that has a passband frequency of DC to 18 GHz. This unit offers a high Q and very low loss. Package size is 1.1" x 0.74" x 0.39" with SMA female connectors in/out.
Product Specifications
| General Parameters: |
| Status: | Active |
| Frequency (GHz): | DC to 18 |
| Passband (GHz): | DC to 18 |
| Cut-Off Frequency (GHz): | 18 |
| Insertion Loss (dB): | 1.5 dB Max |
| Flatness (dB): | Flatness 0.5dB p-p Max |
| VSWR: | 2.0:1 Max |
| Input Power: | 1W CW |
| Rejection: | 20 GHz - 15 dB Min / 21 - 23.5 GHz - 35dB Min / 23.5 - 50 GHz - 55dB Min |
| Rejection @ 4 to 7 GHz: | 50 dBc Min @ 4 to 7 GHz |
| Impedance: | 50 Ohm |
| Connectors In/Out: | SMA Female - Removable |
| Size: | 1.1" x 0.74" x 0.39" |
| Finish: | Painted Blue / External coat of Humiseal to help with external moisture |
| Weight: | 30 gms |
| Export Classification (ECCN): | EAR99 |
| Environmental Ratings: |
| Temperature: | -54 to +85 °C (Operational) |
| Non-Operating: | -65 °C to +125 °C |
| Humidity: | MIL-STD-202, Method 103B Cond. B |
| Shock: | MIL-STD-810F Annex C Fig. 514.8C-5 |
| Vibration: | MIL-STD-810F Annex C Fig. 514.8C-5 |
| Altitude: | 43, 000ft |
| Temperature Cycle: | MIL-STD-202, Method 107D Cond. A |