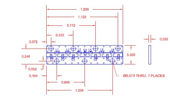
Quantic PMI Model LP3200M-SM-CD-MLL is a lowpass filter that has a passband frequency of DC to 3.2 GHz. Offers very high Q with broadband performance. This unit has very low loss and is ideal for eliminating broadband harmonics. Package size is 1.2" x 0.3" x 0.032".
| General Parameters: | |
|---|---|
| Status: | Active |
| Passband (GHz): | DC to 3.2 |
| Cut-Off Frequency (GHz): | 3.2 |
| Passband Insertion Loss: | 2.25 dB Typ |
| VSWR: | 1.5:1 Typ |
| Rejection: | 60 dB Typ @ 4 GHz, 65 dB Typ @ 8 & 12 GHz |
| Rejection @ 4 GHz: | 60 dB Typ |
| Rejection @ 8 GHz: | 65 dB Typ |
| Rejection @ 12 GHz: | 65 dB Typ |
| Size: | 1.2" x 0.3" x 0.032" |
| Finish: | Backside Copper |
| Export Classification (ECCN): | EAR99 |
| Environmental Ratings: | |
| Temperature: | -55 °C to +85 °C |
| Non-Operating: | -65 °C to +125 °C |