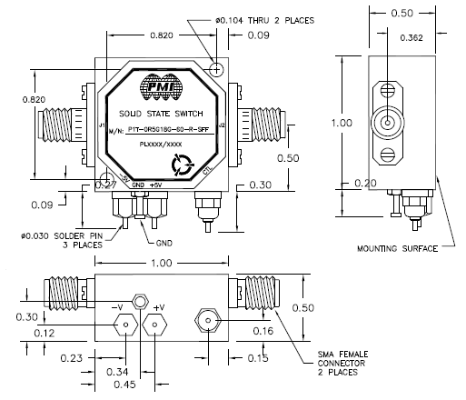
Quantic PMI Model P1T-0R5G18G-60-R-SFF is a high speed, single pole, single throw, reflective switch capable of switching within 100 ns over the frequency range of 0.5 to 18 GHz with over 60 dB of isolation. Housing size is 1.0" x 1.0" x 0.5" with SMA female connectors.
| General Parameters: | |
|---|---|
| Status: | Preliminary |
| Configuration: | SPST |
| Reflective / Absorptive: | Reflective |
| Frequency Range (GHz): | 0.5 to 18 |
| Frequency Min (GHz): | 0.5 |
| Frequency Max (GHz): | 18 |
| Insertion Loss - Typ (dB): | 2.5 dB |
| Insertion Loss (dB): | 2.5 dB Max |
| Isolation (dB): | 60 dB Min |
| Isolation - Typ (dB): | 60 dB |
| Switching Speed: | 100 ns Max |
| Switching Speed - Typ: | 100 ns |
| VSWR In/Out: | 2.0:1 Max |
| Input Power: | 20 dBm CW |
| Control Signal: | Single Line TTL |
| Features: | Low Insertion Loss, High isolation, Fast Switching Speed, Small Size |
| Power Supply: | +5 VDC @ 70 mA, -5 VDC @ 100 mA |
| Connectors: | SMA Female |
| Size: | 1.0" x 1.0" x 0.5" |
| Finish: | Gold |
| Export Classification (ECCN): | EAR99 |
| Environmental Ratings: | |
| Temperature (Operating): | -54 °C to +95 °C |
| Temperature (Storage): | -65 °C to +125 °C |
| Humidity: | MIL-STD-202F, Method 103B Cond. B |
| Shock: | MIL-STD-202F, Method 213B Cond. B |
| Vibration: | MIL-STD-202F, Method 204D Cond. B |
| Altitude: | MIL-STD-202F, Method 105C Cond. B |
| Temperature Cycle: | MIL-STD-202F, Method 107D Cond. A |