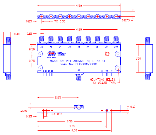
PMI Model P9T-300M2G-60-R-55-SFF is a high speed, single pole, nine throw, reflective switch capable of switching within 100 ns that has a frequency range of 0.3 to 2 with over 60 dB of isolation. Housing is gold plated and measures 4.5" x 1.5" x 0.4" with SMA female connectors.
| General Parameters: | |
|---|---|
| Status: | Preliminary |
| Configuration: | SP9T |
| Reflective / Absorptive: | Reflective |
| Frequency (GHz): | 0.3 to 2 |
| Frequency Min (GHz): | 0.3 |
| Frequency Max (GHz): | 2 |
| Insertion Loss (dB): | 2 dB Max |
| Insertion Loss - Typ (dB): | 2 dB |
| Isolation (dB): | 60 dB Min |
| Isolation (Typ): | 60 dB |
| Switching Speed: | 100 ns Typ |
| Switching Speed (Typ): | 100 ns |
| Input Power: | 1 W CW |
| Control Signal: | 4-Line Decoded TTL |
| Power Supply: | +5 VDC @ 450 mA Max -5 VDC @ 75 mA Max |
| Connectors: | SMA Female |
| Size: | 4.5" x 1.5" x 0.4" |
| Finish: | Gold Plated |
| Export Classification (ECCN): | EAR99 |
| Environmental Ratings: | |
| Operating Temperature: | -54 ºC to +85 ºC |
| Non-Operating Temperature: | -65 ºC to +125 ºC |
| Humidity: | MIL-STD-202F, Method 103B Cond. B |
| Shock: | MIL-STD-202F, Method 213B Cond. B |
| Vibration: | MIL-STD-202F, Method 204D Cond. B |
| Altitude: | MIL-STD-202F, Method 105C Cond. B |
| Temperature Cycle: | MIL-STD-202F, Method 107D Cond. A |