PDVAN-5010-60-8-OPT8990 Preliminary

Digital Attenuator

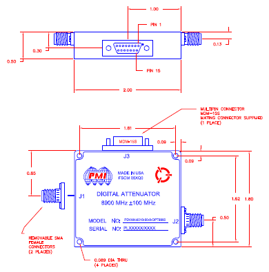
Quantic PMI Model PDVAN-5010-60-8-OPT8990 is an 8bit programmable 60 dB pin diode attenuator with step resolution as low as 0.25 dB over the frequency range of 8.89 ±0.1 GHz. Housing measures 2.0" x 1.8" x 0.5" with 15 Pin Micro-D female control connector (Mating Connector Supplied) and SMA female connectors.

Product Specifications

General Parameters:
Status: Preliminary
Frequency Range (GHz): 8.89 ± 0.1
Frequency Min (GHz): 8.88
Frequency Max (GHz): 8.9
Attenuation Range (dB): 60 dB
Attenuation Step Size - LSB (dB): 0.25 dB
Attenuation Flatness (dB): ±0.4 dB @ 10 dB,
±0.7 dB @ 20 dB,
±0.8 dB @ 40 dB,
±1 dB @ 60 dB
Insertion Loss (dB): 1.5 dB Max
VSWR: 1.75:1 Max
Operating Input Power: 20 dBm
Survival Power: 30 dBm
Monotonicity: Guaranteed
Power Supply: +12 to +15 VDC @ 150 mA Max,
-12 to -15 VDC @ 75 mA Max
Digital Control: 8 BIT Positive True, TTL
DC Connector: 15 Pin D-Sub Female (Mating Connector Supplied)
Connectors: SMA Female
Size: 2.0" x 1.8" x 0.5"
Export Classification (ECCN): EAR99
Environmental Ratings:
Operating Temperature: -55 ºC to +85 ºC
Non-Operating Temperature: -65 ºC to +125 ºC
Humidity: MIL-STD-202F, Method 103B Cond. B
Shock: MIL-STD-202F, Method 213B Cond. B
Vibration: MIL-STD-202F, Method 204D Cond. B
Altitude: MIL-STD-202F, Method 105C Cond. B
Temperature Cycle: MIL-STD-202F, Method 107
categoriesall