PDVAT-0518-60-8-96-OPT0108 Preliminary

Variable Attenuator/ Modulator

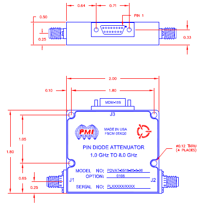
Quantic PMI Model PDVAT-0518-60-8-96-OPT0108 is a 1 to 8 GHz Variable Attenuator/ Modulator with 8 bit binary TTL control or optional analog voltage control.  Housing measures 2.0" x 1.8" x 0.5" with 15 Pin Micro-D female control connector (Mating Connector Supplied) and SMA female connectors.

Product Specifications

General Parameters:
Status: Preliminary
Frequency Range (GHz): 1 to 8
Frequency Min (GHz): 1
Frequency Max (GHz): 8
Attenuation Range (dB): 60 dB
Attenuation Step Size - LSB (dB): 0.25 dB
Attenuation Flatness (dB): ±0.9 dB @ 10 dB,
±1.5 dB @ 20 dB,
±3 dB @ 40 dB,
±5 dB @ 60 dB
Attenuation Accuracy (dB): ±1 dB @ 0 to 30 dB,
±1.3 dB @ 30 to 50 dB,
±1.5 dB @ 50 to 60 dB
Insertion Loss (dB): 4 dB Max
Operating Input Power: 20 dBm
Monotonicity: Guaranteed
Temperature Variation: ±2.5 dB (-10 to 85 °C) Typ
±3.5 dB (-40 to 95 °C) Typ
Small Signal Bandwidth: 150 kHz Typ (6 dB with ±3 dB sinewave)
Large Signal Bandwidth: 75 kHz Typ (30 dB with ±30 dB sinewave)
Return Loss: -12 dB Typ,
-8.5 dB Max
Analog Control Option: 0 to 6 V Analog Voltage, 10 dB / Volt
Power Supply: +12 to +15 VDC @ 150 mA Max
Digital Control: 8 BIT TTL
DC Connector: 15 Pin Micro-D Female Mating Connector (Male) Furnished
Connectors: SMA Female - Field Replaceable
Size: 2.0" x 1.8" x 0.5"
Finish: Painted Blue
Export Classification (ECCN): EAR99
Environmental Ratings:
Operating Temperature: -40 ºC to +85 ºC
Non-Operating Temperature: -65 ºC to +125 ºC
Humidity: MIL-STD-202F, Method 103B Cond. B
Shock: MIL-STD-202F, Method 213B Cond. B
Vibration: MIL-STD-202F, Method 204D Cond. B
Altitude: MIL-STD-202F, Method 105C Cond. B
Temperature Cycle: MIL-STD-202F, Method 107D Cond. A
categoriesall