P4T-1G20G-60-T-SFF-2W-2 Active

SP4T Absorptive Switch

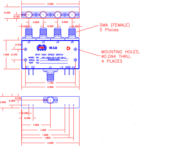
Quantic PMI Model P4T-1G20G-60-T-SFF-2W-2 is a 1 to 20 GHz, SP4T Broadband High Power, Solid State Absorptive Switch with high isolation and low loss. Housing measures 2.0" x 1.0" x 0.4" with SMA female connectors. 

Product Specifications

General Parameters:
Status: Active
Configuration: SP4T
Reflective / Absorptive: Absorptive
Frequency (GHz): 1 to 20
Frequency Min (GHz): 1
Frequency Max (GHz): 20
Insertion Loss (dB): 4.5 dB Typ (1 to 18 GHz),
6.5 dB Typ (18 to 20 GHz)
Insertion Loss - Typ (dB): 6.5 dB
Isolation (dB): 60 dB Min (1 to 18 GHz),
50 dB Typ (18 to 20 GHz)
Isolation - Typ (dB): 50 dB
Switching Speed: 500 ns Typ
Switching Speed - Typ: 500 ns
Delay On/Off: 500 ns Typ
VSWR In/Out: 2.0:1 Typ - Measured 2.0:1 Typ, 2.15:1 Max
Input Power: 33 dBm CW
Power Supply: +5 VDC @ 150 mA Max,
-12 VDC @ 100 mA Max
Control Signal: TTL Logic
Power & Control Connector: Solder Pins
Connectors: SMA Female
Size: 2.0" x 1.0" x 0.4"
Export Classification (ECCN): EAR99
Environmental Ratings:
Operating Temperature: -55 ºC to +85 ºC
Non-Operating Temperature: -65 ºC to +125 ºC
Humidity: MIL-STD-202F, Method 103B Cond. B
Shock: MIL-STD-202F, Method 213B Cond. B
Vibration: MIL-STD-202F, Method 204D Cond. B
Altitude: MIL-STD-202F, Method 105C Cond. B
Temperature Cycle: MIL-STD-202F, Method 107D Cond. A
categoriesall