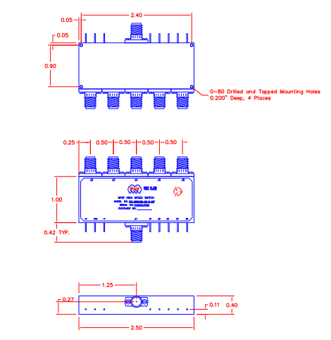
Quantic PMI Model P5T-0R5G18G-60-R-SFF is a high speed, single pole, five throw, reflective switch capable of switching within 100 ns that operates over the frequency range of 0.5 to 18 GHz and has over 60 dB of isolation. Housing measures 2.5" x 1.5" x 0.4" with SMA female connectors.
| General Parameters: | |
|---|---|
| Status: | Preliminary |
| Configuration: | SP5T |
| Reflective / Absorptive: | Reflective |
| Frequency (GHz): | 0.5 to 18 |
| Frequency Min (GHz): | 0.5 |
| Frequency Max (GHz): | 18 |
| Insertion Loss (dB): | 3.25 dB Max |
| Insertion Loss - Typ (dB): | 3.25 dB |
| Isolation (dB): | 60 dB Min |
| Isolation - Typ (dB): | 60 dB |
| Switching Speed: | 100 ns Max |
| Switching Speed - Typ: | 100 ns |
| VSWR In/Out: | 2.0:1 Max |
| Input Power (dBm): | 20 dBm CW Max |
| Control Signal: | Five Line TTL |
| Power Supply: | +5 VDC @ 250 mA, -12 VDC @ 100 mA |
| Connectors: | SMA Female |
| Power & Control Connector: | Solder Pins |
| Size: | 2.5" x 1.5" x 0.4" |
| Finish: | Painted Blue |
| Features: | Low Insertion Loss, High isolation, Fast Switching Speed, Small Size |
| Export Classification (ECCN): | EAR99 |
| Environmental Ratings: | |
| Operating Temperature: | -54 ºC to +95 ºC |
| Non-Operating Temperature: | -65 ºC to +125 ºC |
| Humidity: | MIL-STD-202F, Method 103B Cond. B |
| Shock: | MIL-STD-202F, Method 213B Cond. B |
| Vibration: | MIL-STD-202F, Method 204D Cond. B |
| Altitude: | MIL-STD-202F, Method 105C Cond. B |
| Temperature Cycle: | MIL-STD-202F, Method 107D Cond. A |