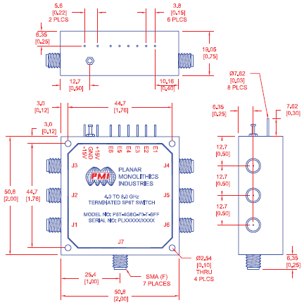
Quantic PMI Model P6T-4G8G-70-T-SFF is a single pole, six throw Switch that operates over the 4 to 8 GHz frequency range that offers a minimum isolation of 70 dB and a maximum insertion loss of 2.9 dB. Housing measures 2.0" x 2.0" x 0.75" and is outfitted with SMA female connectors.
| General Parameters: | |
|---|---|
| Status: | Preliminary |
| Configuration: | SP6T |
| Reflective / Absorptive: | Absorptive |
| Frequency (GHz): | 4 to 8 |
| Frequency Min (GHz): | 4 |
| Frequency Max (GHz): | 8 |
| Insertion Loss (dB): | 2.9 dB Max |
| Insertion Loss - Typ (dB): | 2.9 dB |
| Isolation (dB): | 70 dB Min |
| Isolation - Typ (dB): | 70 dB |
| Switching Speed: | 500 ns Max |
| Switching Speed - Typ: | 500 ns |
| VSWR In/Out: | 1.8:1 Max |
| Input Power: | 100 mW CW Max (Hot Switching) |
| Impedance: | 50 Ohm |
| Control Signal: | TTL Level, Logic |
| Power Supply: | +15 VDC ± 5% @ 150 mA Max, -5 VDC ± 5% @ 100 mA Max |
| Power & Control Connector: | Solder Pins |
| Connectors: | SMA Female |
| Size: | 2.00" x 2.00" x 0.75" |
| Finish: | Painted Blue |
| Weight: | 128 g [4.5 oz] Max |
| Export Classification (ECCN): | EAR99 |
| Environmental Ratings: | |
| Temperature (Operating): | 0 ºC to +85 ºC |
| Temperature (Non-Operating): | -62 ºC to +85 ºC |
| Humidity: | 100% Relative Humidity |
| Shock: | 15 G, 11±1 ms |
| Vibration: | 0.1 Inch pp or 10 G, 5 to 500 Hz |