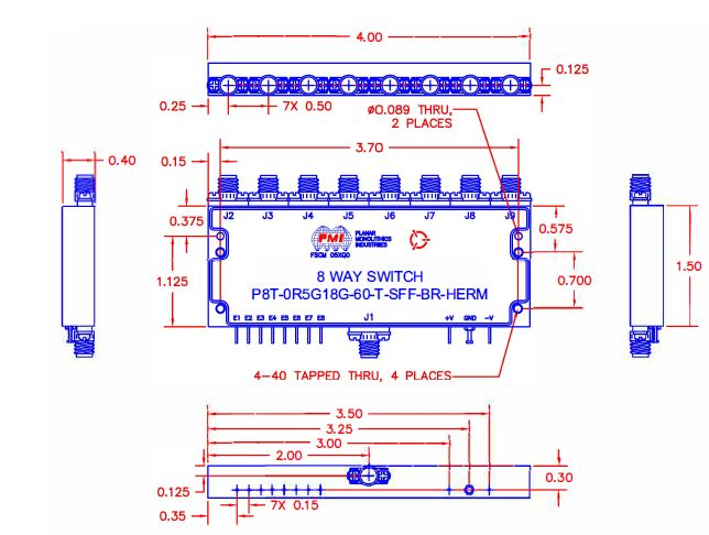
PMI Model P8T-0R5G18G-60-T-SFF-BR-HERM is a high speed, single pole, eight throw, absorptive switch capable of switching within 100 ns with a frequency range of 0.5 to 18 GHz and 70 dB of isolation. Housing is gold plated and measures 4.0" x 1.5" x 0.4" with SMA female connectors.
| General Parameters: | |
|---|---|
| Status: | Preliminary |
| Configuration: | SP8T |
| Reflective / Absorptive: | Absorptive |
| Frequency (GHz): | 0.5 to 18 |
| Frequency Min (GHz): | 0.5 |
| Frequency Max (GHz): | 18 |
| Insertion Loss (dB): | 4.5 dB Max |
| Isolation (dB): | 60 dB Min |
| Switching Speed: | 100 ns Typ |
| VSWR In/Out: | 2.0:1 Max |
| Operating Input Power: | 30 dBm CW |
| Control Signal: | Eight Line TTL |
| Power & Control Connector: | Solder Pins |
| Connectors: | SMA Female |
| Size: | 4.0" x 1.5" x 0.4" |
| Finish: | Hermetic Package / Blue Paint |
| Export Classification (ECCN): | EAR99 |
| Environmental Ratings: | |
| Operating Temperature: | -55 °C to +85 °C |
| Non-Operating Temperature: | -65 °C to +125 °C |
| Humidity: | MIL-STD-202F, METHOD 103B COND. B |
| Shock: | MIL-STD-202F, METHOD 213B COND. B |
| Vibration: | MIL-STD-202F, METHOD 204D COND. B |
| Altitude: | MIL-STD-202F, METHOD 105C COND. B |
| Temperature Cycle: | MIL-STD-202F, METHOD 107D COND. A |