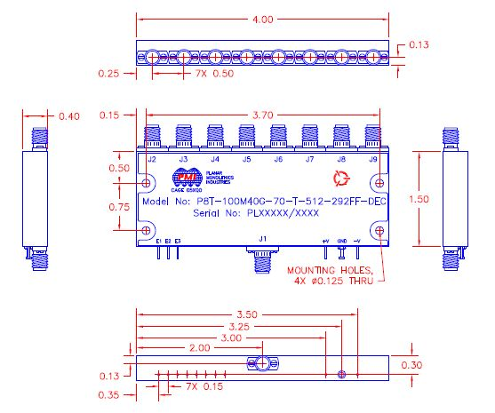
Quantic PMI Model P8T-100M40G-70-T-512-292FF-DEC is a high speed, single pole, eight throw, absorptive switch that operates over the 0.1 to 40 GHz frequency range and is designed to achieve over 70 dB of isolation with a switching speed <100 ns. Housed in a slimline package measuring 4.0" x 1.5" x 0.4" with 2.92mm female connectors.
| General Parameters: | |
|---|---|
| Status: | Preliminary |
| Configuration: | SP8T |
| Reflective / Absorptive: | Absorptive |
| Frequency (GHz): | 0.1 to 40 |
| Frequency Min (GHz): | 0.1 |
| Frequency Max (GHz): | 40 |
| Insertion Loss (dB): | 11 dB Max, 6 dB Typ (0.1 to 18 GHz), 7 dB Typ (18 to 26.5 GHz), 10 dB Typ (26.5 to 40 GHz) |
| Isolation (dB): | 70 dB Min (0.1 to 40 GHz) |
| Switching Speed: | 100 ns Max |
| VSWR In/Out: | 2.5:1 Typ |
| Operating Input Power: | 20 dBm CW |
| Control Signal: | 3 Bit Decoded TTL |
| Power & Control Connector: | Solder Pins |
| Connectors: | 2.92mm Female |
| Size: | 4.0" x 1.5" x 0.4" |
| Finish: | Gold Plated |
| Export Classification (ECCN): | EAR99 |
| Environmental Ratings: | |
| Operating Temperature: | -54 °C to +95 °C |
| Non-Operating Temperature: | -65 °C to + 125 °C |
| Humidity: | MIL-STD-202F, METHOD 103B COND. B |
| Shock: | MIL-STD-202F, METHOD 213B COND. B |
| Vibration: | MIL-STD-202F, METHOD 204D COND. B |
| Altitude: | MIL-STD-202F, METHOD 105C COND. B |
| Temperature Cycle: | MIL-STD-202F, METHOD 107D COND. A |