P8T-100M40G-85-T-512-292FF-ROHS-MICROD-OPT0R118
Preliminary
Single Pole, Eight Throw, Absorptive Switch
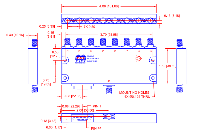
Quantic PMI Model P8T-100M40G-85-T-512-292FF-ROHS-MICROD-OPT0R118 is a high speed, single pole, eight throw, absorptive switch capable of switching within 100 ns with a frequency range of 0.1 to 18 GHz and has over 90 dB of isolation. Housing is gold plated and measures 4.0" x 1.5" x 0.4" with 15 pin micro-D connector for power/control and 2.92mm female connectors. ROHS compliant.
Product Specifications
| General Parameters: |
| Status: | Preliminary |
| Configuration: | SP8T |
| Reflective / Absorptive: | Absorptive |
| Frequency (GHz): | 0.1 to 18 |
| Frequency Min (GHz): | 0.1 |
| Frequency Max (GHz): | 18 |
| Insertion Loss (dB): | 10 dB Max |
| Isolation (dB): | 90 dB Min |
| Switching Speed: | 100 ns Max |
| VSWR In/Out: | 2.5:1 Max |
| Input Power (dBm): | 20 dBm CW |
| Control Signal: | Eight Line TTL |
| Power & Control Connector: | 15 Pin Micro-D Female |
| Connectors: | 2.92mm Female |
| Size: | 4.0" x 1.5" x 0.4" |
| Finish: | Gold Plated |
| Export Classification (ECCN): | EAR99 |
| Environmental Ratings: |
| Operating Temperature: | -55 ºC to +85 ºC |
| Non-Operating Temperature: | -65 ºC to +125 ºC |
| Humidity: | MIL-STD-202F, Method 103B Cond. B |
| Shock: | MIL-STD-202F, Method 213B Cond. B |
| Vibration: | MIL-STD-202F, Method 204D Cond. B |
| Altitude: | MIL-STD-202F, Method 105C Cond. B |
| Temperature Cycle: | MIL-STD-202F, Method 107D Cond. A |