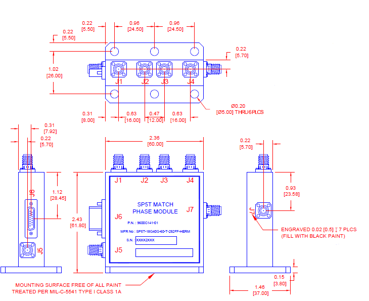
Quantic PMI Model SP5T-18G40G-60-T-292FF-HERM is an SP5T, Absorptive Switch that operates from 18 to 40 GHz that has an isolation of 60 dB and switching speed of 60 ns. Housing measures 2.43" x 2.36" x 1.46" with a 15-pin Micro-D connector for power/control and 2.92mm female connectors.
| General Parameters: | |
|---|---|
| Status: | Preliminary |
| Configuration: | SP5T |
| Reflective / Absorptive: | Absorptive |
| Frequency (GHz): | 18 to 40 |
| Frequency Min (GHz): | 18 |
| Frequency Max (GHz): | 40 |
| Isolation (dB): | 60 dBc |
| Isolation - Typ (dB): | 60 dB |
| Switching Speed: | 60 ns Max |
| Switching Speed - Typ: | 60 ns |
| Noise Figure (dB): | 6 dB Max (18 to 25.5 GHz), 7 dB Max (25.5 to 40 GHz) |
| Phase Matching: | 5° Max (Between J1, J2, J3, J4, J7), 10° Max (Between Set of 4 Switches) |
| VSWR In/Out: | 2.5:1 Max |
| Switching Rate: | 1 MHz Min |
| P1dB (dBm): | 0 dBm Min |
| Input Power (dBm): | 5 W Max |
| Impedance: | 50 Ohm |
| Power Supply: | +12 ± 1.2 VDC @ 270 mA, -12 ± 1.2 VDC @ 50 mA |
| Connectors: | 2.92mm Female |
| Power & Control Connector: | Solder Pins |
| Size: | 2.43" x 2.36" x 1.46", 61.8 mm x 60 mm x 37 mm |
| Finish: | Gray Epoxy IAW MIL-C-22750 |
| Sealing: | Hermetic Laser Sealing |
| Weight: | 10.58 oz [300 g] Max |
| Export Classification (ECCN): | EAR99 |
| Environmental Ratings: | |
| Operating Temperature: | -40 °C to +85 °C |
| Non-Operating Temperature: | -55 ºC to +95 ºC |
| Humidity: | MIL-STD-810, Method 507.4 |
| Shock: | MIL-STD-810, Method 516.5 |
| Vibration: | MIL-STD-810, Method 514.5 |
| Altitude: | MIL-STD-810, Method 520.2 |
| Temperature Cycle: | MIL-STD-810, Method 503.4 |
| Salt Fog: | MIL-STD-810, Method 509.4 |
| Fungus: | MIL-STD-810, Method 508.5 |